Product Summary
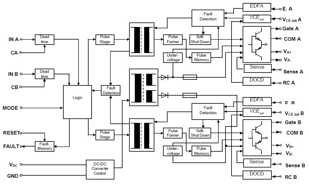
The 2ED300C17-ST is a dual IGBT driver board for infineon medium and high power IGBT module. The 2ED300C17-ST will be only be referred to where necessary. The 2ED300C17-ST is one of the EiceDRIVERTM driver family (eupec IGBT controlled efficiency DRIVER). The device is designed for use with Infineon IGBT modules of the 1200V and 1700V series. Functions of the 2ED300C17-ST such as “soft shut down” or VCEsat reference curves have to be adapted to the individual modules. This is described in the following chapters. The 2ED300C17-ST is designed for applications with high safety and reliability requirements and aims for power ratings of 75kW to 1MW.
Parametrics
2ED300C17-ST absolute maximum ratings: (1)Maximum primary supply voltage, VDC: +16 V; (2)Max. voltage on inputs IN A; IN B, Vin: ±20 V; (3)Max. voltage (Mode; Reset), ViH: ±20 V; (4)Fault output blocking voltage, Vo: 20 V; (5)Fault output; max. continuous current open collector, IOC: 20 mA; (6)Max. driver peak output current, IGon: +30 A; (7)Max. driver peak output current, IGoff: -30 A; (8)DC Average value per secondary supply voltage1), Iout: 133 mA; (9)PDC/DC channel A + channel B, PDC/DC: 8 W; (10)Maximum collector-emitter voltage on IGBT, VCES: 1700 V; (11)Min. gate resistor (module internal + external gate resistor), RG min: 1 W ; (12)Maximum IGBT gate charge, QGmax: 52 μC; (13)Voltage slew rate secondary to primary side 50 2), dv/dt: kV/μs; (14)Operating temperature 2ED300C17-ST, Top: -40 to +85℃; (15)Storage temperature, Tsto: -40 to +85℃; (16)Max. switching frequency (Top < 65℃), fs max: 60000 Hz; (17)max Sum of current supplied to VDC and VDD, IDC: 670 mA; (18)Maximum duty cycle, d: 100 %.
Features
2ED300C17-ST features: (1)Dual channel IGBT driver; (2)For 600V, 1200V and 1700V Infineon IGBT modules; (3)VCEsat monitoring; (4)Soft Shut Down for fault conditions; (5)Reinforced isolation according to EN50178; (6)Integrated DC-DC SMPS; (7)High peak output current; (8)±15 V secondary drive voltage; (9)Short propagation delay time; (10)Optional sense-function; (11)High RFI immunity.
Diagrams

| Image | Part No | Mfg | Description | ![]() |
Pricing (USD) |
Quantity | ||||||||
|---|---|---|---|---|---|---|---|---|---|---|---|---|---|---|
![]() |
![]() 2ED300C17-ST |
![]() Infineon Technologies |
![]() IGBT Modules 30A 2-OUT Half Brdg Non-Inv |
![]() Data Sheet |
![]()
|
|
||||||||
![]() |
![]() 2ED300C17-ST ROHS |
![]() Infineon Technologies |
![]() IGBT Modules HALFBRIDGE DRV 30A DC/DC 1700V |
![]() Data Sheet |
![]()
|
|
||||||||
(China (Mainland))









