Product Summary
The STT100GK12B is a thyristor-thyristor module. The applications of the STT100GK12B include DC motor control, softstart AC motor controller, light, heat and temperature control.
Parametrics
STT100GK12B absolute maximum ratings: (1)TVJ= TVJM, ITRMS, IFRMS: 180A; (2)TC= 85℃; 180℃ sine, ITAVM, IFAVM: 100A; (3)TVJ=45℃, t=10ms (50Hz), sine, ITSM, IFSM: 1700A; VR=0, t=8.3ms (60Hz), sine, ITSM, IFSM: 1800A; TVJ=TVJM, t=10ms(50Hz), sine, ITSM, IFSM: 1540A; VR=0, t=8.3ms(60Hz), sine, ITSM, IFSM: 1640A; (4)TVJ=45℃, t=10ms (50Hz), sine, i2dt: 14450A2s; VR=0, t=8.3ms (60Hz), sine, i2dt: 14350A2s; TVJ=TVJM, t=10ms(50Hz), sine, i2dt: 11850A2s; VR=0, t=8.3ms(60Hz), sine, i2dt: 11300A2s; (5)TVJ=TVJM, repetitive, IT=250A, f=50Hz, tp=200us, VD=2/3VDRM, (di/dt)cr: 150A/us; (6)IG=0.45A, non repetitive, IT=ITAVM, diG/dt=0.45A/us, (di/dt)cr: 500A/us ; (7)TVJ=TVJM; VDR=2/3VDRM, RGK= ∞; method 1 (linear voltage rise), (dv/dt)cr: 1000 V/us; (8)TVJ=TVJM, tp=30us, PGM: 10W; IT=ITAVM, tp=300us, PGM: 5W; (9)PGAV: 0.5 W; (10)VRGM: 10 V; (11)TVJ: -40 to +125℃; TVJM: 125℃; Tstg: -40 to +125℃.
Features
STT100GK12B features: (1)International standard package; (2)Coppe r base plate; (3)Planar passivated chips; (4)Isolation voltage 3600 V.
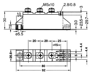
Diagrams

![]() |
![]() STT13005 |
![]() STMicroelectronics |
![]() Transistors Bipolar (BJT) RECTIFIER |
![]() Data Sheet |
![]()
|
|
||||||||||||||||||||||
![]() |
![]() STT13005D-K |
![]() STMicroelectronics |
![]() Transistors Bipolar (BJT) High Voltage NPN 700V VCES 400V VCEO |
![]() Data Sheet |
![]()
|
|
||||||||||||||||||||||
![]() |
![]() STT13005FP |
![]() |
![]() TRANSISTOR NPN 400V SOT-32FP |
![]() Data Sheet |
![]()
|
|
||||||||||||||||||||||
![]() |
![]() STT13005-K |
![]() STMicroelectronics |
![]() MOSFET 400V VCEO 700 VCES NPN High Volt Trans |
![]() Data Sheet |
![]()
|
|
||||||||||||||||||||||
![]() |
![]() STT1NF100 |
![]() Other |
![]() |
![]() Data Sheet |
![]() Negotiable |
|
||||||||||||||||||||||
![]() |
![]() STT181 |
![]() Other |
![]() |
![]() Data Sheet |
![]() Negotiable |
|
||||||||||||||||||||||
(China (Mainland))









