Product Summary
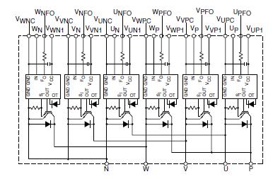
The PM200CLA120 is an Intelligent Power Module isolated base module designed for power switching applications operating at frequencies to 20kHz. Built-in control circuits provide optimum gate drive and protection for the IGBT and free-wheel diode power devices. The applications of the PM200CLA120 include inverters, UPS, motion/servo control, power supplies.
Parametrics
PM200CLA120 absolute maximum ratings: (1)Power Device Junction Temperature, Tj: -20 to 150℃; (2)Storage Temperature, Tstg: -40 to 125℃; (3)Mounting Torque, M5 Mounting Screws: 31 in-lb; (4)Mounting Torque, M6 Main Terminal Screws: 40 in-lb; (5)Module Weight (Typical): 1250 Grams; (6)Supply Voltage, Surge (Applied between P - N) VCC(surge): 1000 Volts; (7)Self-protection Supply Voltage Limit (Short Circuit protection Capability), VCC(prot.): 800 Volts; (8)Isolation Voltage, AC 1 minute, 60Hz Sinusoidal, VISO: 2500 V.
Features
PM200CLA120 features: (1)Complete Output Power Circuit; (2)Gate Drive Circuit; (3)Protection Logic: Short Circuit; Over Temperature Using On-chip Temperature Sensing; Under Voltage; (4)Low Loss Using 5th Generation IGBT Chip; (5)Low EMI/RFI.
Diagrams

| Image | Part No | Mfg | Description | ![]() |
Pricing (USD) |
Quantity | ||||||
|---|---|---|---|---|---|---|---|---|---|---|---|---|
![]() |
![]() PM200CLA120 |
![]() |
![]() MOD IPM L-SER 6PAC 1200V 200A |
![]() Data Sheet |
![]()
|
|
||||||
| Image | Part No | Mfg | Description | ![]() |
Pricing (USD) |
Quantity | ||||||
![]() |
![]() PM2001-200 |
![]() Bourns |
![]() EMI Filter Beads, Chokes & Arrays 25% Choke |
![]() Data Sheet |
![]() Negotiable |
|
||||||
![]() |
![]() PM2001-200-RC |
![]() |
![]() FERRITE CHIP 20 OHM 25% |
![]() Data Sheet |
![]() Negotiable |
|
||||||
![]() |
![]() PM2002-300 |
![]() J.W. Miller |
![]() EMI Filter Beads, Chokes & Arrays 47ohm 25% |
![]() Data Sheet |
![]() Negotiable |
|
||||||
![]() |
![]() PM2002-300-RC |
![]() Bourns |
![]() EMI Filter Beads, Chokes & Arrays 47ohms 25% |
![]() Data Sheet |
![]() Negotiable |
|
||||||
![]() |
![]() PM2002DP |
![]() Other |
![]() |
![]() Data Sheet |
![]() Negotiable |
|
||||||
![]() |
![]() PM2003-300 |
![]() J.W. Miller |
![]() EMI Filter Beads, Chokes & Arrays 25% Choke |
![]() Data Sheet |
![]() Negotiable |
|
||||||
(China (Mainland))










