Product Summary
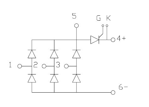
The PGH7516AM is a thyristor module. The application of the PGH7516AM are: Converter For UPS , VVVF and Servo Motor Drive Amplifier.
Parametrics
PGH7516AM absolute maximum ratings: (1)Average Rectified Output Current: 75 A; (2)Operating JunctionTemperature Range Tjw: -40 to +150 ℃; (3)Storage Temperature Range Tstg: -40 to +125 ℃; (4)Isoration Voltage Viso Base Plate to Terminals, AC1min: 2500 V; (5)Mounting torque Case mounting Greased M5 Screw: 2.4 to 2.8Nm.
Features
PGH7516AM features: (1)Isolated Base; (2)3 Phase Converter with Rush-Current Controllable Thyristor; (3)High Surge Capability; (4)UL Recognized, File No. E187184.
Diagrams

![]() |
![]() PGH758A |
![]() Other |
![]() |
![]() Data Sheet |
![]() Negotiable |
|
||||
(China (Mainland))








