Product Summary
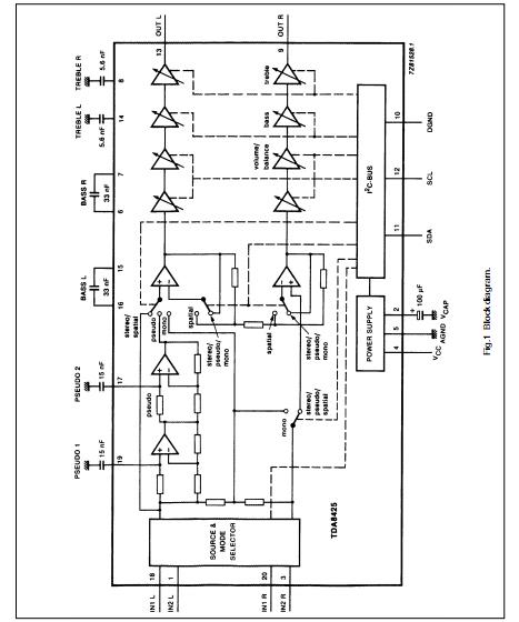
The TDA8425 is a monolithic bipolar integrated stereo sound circuit with a loudspeaker channel facility, digitally controlled via the I2C-bus for application in hi-fi audio and television sound.
Parametrics
TDA8425 absolute maximum ratings: (1)Supply voltage:0 to 16V; (2)Voltage range for pins with external capacitors:0 to VCC; (3)Voltage range for pins 11 and 12:0 to VCC; (4)Voltage range at pins 1, 3, 9, 11, 12, 13, 18 and 20:0 to VCC; (5)Output current at pins 9 and 13:45 mA; (6)Total power dissipation at Tamb < 70 ℃:450 mW; (7)Operating ambient temperature range:0 to 70℃; (8)Storage temperature range:-25 to +150℃.
Features
TDA8425 features: (1)Source and mode selector for two stereo channels; (2)Pseudo stereo, spatial stereo, linear stereo and forced mono switch; (3)Volume and balance control; (4)Bass, treble and mute control; (5)Power supply with power-on reset.
Diagrams

| Image | Part No | Mfg | Description | ![]() |
Pricing (USD) |
Quantity | ||||
|---|---|---|---|---|---|---|---|---|---|---|
![]() |
![]() TDA8425/V7,112 |
![]() |
![]() IC STEREO AUDIO PROC HI-FI 20DIP |
![]() Data Sheet |
![]() Negotiable |
|
||||
![]() |
![]() TDA8425 |
![]() Other |
![]() |
![]() Data Sheet |
![]() Negotiable |
|
||||
(China (Mainland))










