Product Summary
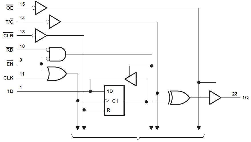
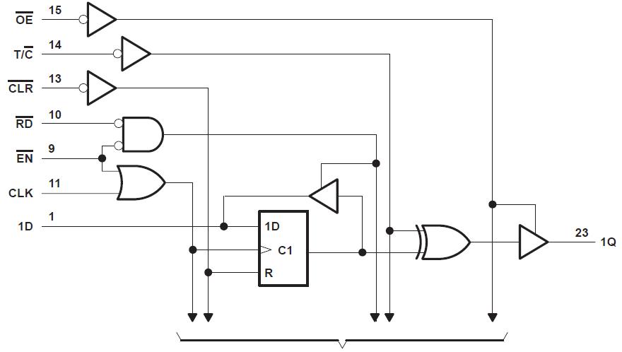
The SN74ALS996NT is a 8-bit D-type edge-triggered read-back latch. The SN74ALS996NT is designed specifically for storing the contents of the input data bus and providing the capability of reading back the stored data onto the input data bus. The Q outputs are designed with bus-driving capability. The edge-triggered flip-flop enters the data on the low-to-high transition of the clock (CLK) input when the enable (EN) input is low. Data can be read back onto the data inputs by taking the read (RD) input low, in addition to having EN low. When EN is high, both the read-back and write modes are disabled. Transitions on EN should only be made with CLK high to prevent false clocking.
Parametrics
SN74ALS996NT absolute maximum ratings: (1)Supply voltage, VCC: 7 V; (2)Input voltage, VI (OE, RD, EN, CLK, CLR, and T/C): 7 V; (3)Voltage applied to D inputs and to disabled 3-state outputs: 5.5 V; (4)Operating free-air temperature range, TA: 0℃ to 70℃; (5)Storage temperature range: -65℃ to 150℃.
Features
SN74ALS996NT features: (1)3-State I/O-Type Read-Back Inputs; (2)Bus-Structured Pinout; (3)T/C Determines True or Complementary Data at Q Outputs; (4)Package Options Include Plastic Small-Outline (DW) Packages, Ceramic Chip Carriers (FK), and Standard Plastic (NT) and Ceramic (JT) 300-mil DIPs.
Diagrams

| Image | Part No | Mfg | Description | ![]() |
Pricing (USD) |
Quantity | ||||||||||||
|---|---|---|---|---|---|---|---|---|---|---|---|---|---|---|---|---|---|---|
![]() |
![]() SN74ALS996NT |
![]() Texas Instruments |
![]() Latches Octal D-Type Edge- Triggered Read-Back |
![]() Data Sheet |
![]()
|
|
||||||||||||
![]() |
![]() SN74ALS996NTE4 |
![]() Texas Instruments |
![]() Latches Octal DTyp TRIGRD Read Back Latches |
![]() Data Sheet |
![]()
|
|
||||||||||||
(China (Mainland))









